BT Soitin Ledeillä
 
      Vanha kaksipesäinen C-kasettisoitin, joka muutettu bluetoothsoittimeksi. Soittimeen lisätty nyt audion analysoija, joka arduinon avulla vilkkuttaa ledejä musiikin tahdissa.
Tuotteen voi tehdä valmiiseen rakennussarja BT-soittimeen tai esimerkiksi valmiiseen soittimeen. Kaiuttimelta tuotavien johtojen tilalla voidaan käyttää 3,5mm auxjohtoa. Tässä pitää tarkistaa mikä johto tulee mihinkin napaan analysoijassa. Tällöin pitää myös huomioida, että laite ei välttämättä osaa toistaa ääntä omista kaiuttimista auxin ollessa kytkettynä. Tällöin voidaan käyttää auxjaotinta, jolla viedään signaali kahteen eri lähteeseen eli valoille, sekä ulkoisellekaiuttimelle.
Supplies
 
       
       
       
       
       
       
      Aikaisemmin tehty Bluetooth soitin.
Arduino Uno rev 3
Audio Analyzer v2.0 by DFRobot tai MSGEQ7 seven band graphic equalizer
5mm ledejä haluttu määrä (jokaiselle kanavalle riittää yksi led)
22ohm vastuksia 7 kpl
Hyppylankoja tai muuta johtoa
Koekytkentälevy tai muu alusta johon tekee liitokset.
Suunnittelua
Ensimmäinen askel kohti tätä projektia oli tutustuminen aikaisempiin projekteihin. Kaikenlaisia erinlaisia löytyy, mutta valinta osui suht yksinkertaiseen malliin, joka oli tehtävissä Arduinolla ja MSGEQ7 seitsemän kanavaisella tajuuskorjaimella.
Tarkoituksena on siis tuoda MSGEQ7 avulla tuoda Arduinoille korvat. Näillä korvilla tuodaan visuaalisesti näkyville seitsemän kanavaa 63Hz, 160Hz, 400Hz, 1kHz, 2.5kHz, 6.25kHz ja 16kHz. Näillä kanavien avulla ledit vilkkuvat tietyn taajuuden perusteella.
Tuotteen teossa voi säästää rahaa, ostamalla vain nuo MSGEQ7 taajuuskorjaimet. Kytkennässä tarvitsee huomioida, että tuot oikeilta jaloilta johdot oikeaan paikkaan. Hinta on noin puolet verrattuna valmiiseen virtapiiriin.
Suunnittelu, Testaus Ja Koodaus
 
       
      Seuraavaksi lähdin testaamaan komponenttien kanssa koekytkentälevylle kytkentöjen toimivuutta mankan kanssa. Kytkennöissä on käytetty 5mm ledejä ja 22ohmin vastuksia, ledtaulukon perusteella. Suuremmat vastukset rupeavat himmentämään ledejä.
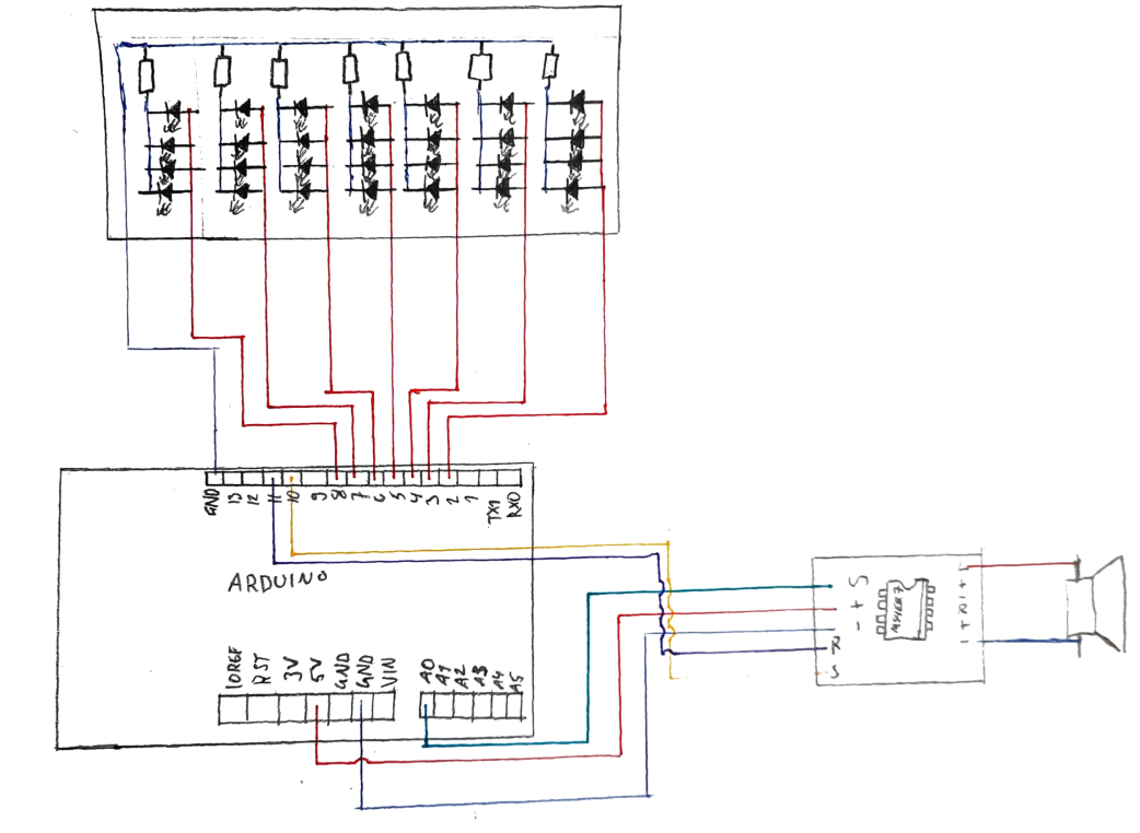
Kytkennässä Arduinoilta tuodaa jännite ensimmäisen ledin anodiin. Jokaista kanavaa varten tarvitaan oma lähtönsä. Tässä lähtöinä toimivat digitaaliset navat 2-8. Rinnan kytkiessä jokaiselle kanavalle voi kytkeä haluamansa määrän ledejä. Itse käytin neljää per kanava. Kaikkien ledien anodit voidaan kytkeä maahan ja tuodaan sieltä johdolla maadoitus Arduinoin maadoitus napaan.
Analysaattorille tuodaan Arduinolta 5v jännite ja maajohto. Lisäksi analogisesta navasta, tässä kytkennässä A0 tuodaan vielä erillinen syöttö. Näin analysaattori saadaan käynnistymään. Se toimii myös pienemmällä jännittellä, mutta 5v varmistaa toimivuuden. Analysaattorilta viedään Strobonavasta johto Arduinon napaan 10 ja Reset navasta johto napaan 11.
Lisäksi tuodaan kaiuttimilta vasemman ja oikein plussa sekä miinus Analysaattorille.
Alla olevalla koodilla saadaan laitteet toimimaan halutulla tavalla.
Ennen koodin kirjoittamista, harjoittele käyttämään ensin Arduinoa. Perus kytkennöillä esim. led ON/OFF pääset tutustumaan millä kommennoilla laitteet toimivat.
Downloads
Jouttaminen Ja Johdottaminen
 
       
       
       
      Kun koekytkentä oli todettu toimivaksi siirryttiin tekemään varsinaista leditaulua mankan sisälle. Tein kytkennät koekytkentälevyyn ja tein tarvittavat juotokset levyn alla. Näin oli helpompaa, koska ledin piirilevy ei ollut monimutkainen. Jokaiselle kanavalle tuodaan oma syöttöjohto ja yhdistetään se ensimmäisen ledin anodiin. Muut kytketään perään rinnan eli anodit yhteen. Katodit juotetaan jokaisesta ledi jonosta yhteen ja viedään maadoitus"kiskoon" , jonka tein ledien katkotuista jaloista.
Juotosten jälkeen, varmista kytkennät yleismittarilla ennen kuin suljet kotelon.
Juottaessa muistettava, että tietyt komponentit voivat olla herkkiä lämmölle, eli turhaa ei saa lämmittää komponentteja.
Arduinossa käytin koekytkentäjohtoja. Ne on helppo kytkeä ja pysyvät hyvin paikoillaan. Kytkennät itsessään ovat aivan samat kuin viime kohdan koekytkennöissä. Johdot saadaan myös helposti irti, jolloin arduinoja ei tarvitse olla kaikille omaa.
Teline Leditaululle
 
       
       
      Jotta leditaulu pysyy mankan sisällä ja näkyy vanhan kasettiaseman seinämän läpi, piti 3D-tulostaa sille teline. Tein hyvin yksinkertaisen mallin Tinkercadilla. Teline on kiinni mankan sisällä kaksikomponenttiliimalla. Ledi piiri ei paljon paina, joten telineen railo on saman levyinen kuin kytkentälevy. Näin levy pysyy telineessä vain työntämällä sen paikalleen.
Tulostamiseen kului aikaa noin 1h. Teline on noin 150mm x 40mm. Tulostusarvot olivat normaalit 0,15mm ja täyttö 25%. Arvot hyvin raa´at, koska valotaulu ei paina mitään ja tulee piiloon. Tulostusaika tulee huomioida, jos tulostetaan tunnilla oppilaiden kanssa. Teline on vain esimerkki valotaulun kiinnitykseen. Riippuen mihin taulusijoitetaan, tarvitsee todennäköisesti miettiä erilainen ratkaisu.
Valmis
 
       
      Omana niin sanottuna signeerauksena leikkasin vinyylileikkurilla tarrasta TAPSAN TAHDIT tarran. Käytin sisällä ollutta ON/OFF indikaattori lediä vielä sen esiin tuomisessa.
Siirsin tarran leikkauksen jälkeen paikalleen käyttäen kontaktimuovia. Näin teksti saadaan siirrettyä kerralla kokonaisuudessaan paikalleen. Poistetaan ylimääräiset osat tarrasta. Painetaan kontaktimuovi tekstin päälle. Painele hyvin. Vedetään tekstit irti pohjasta ja painetaan se haluttuun paikkaan. Painellaan taas hyvin paikalleen. Lopuksi vedetään kontaktimuovi pois ja teksti jää haluttuun paikkaan.
Läpinäkyvien muoviosien päälle on ruiskutettu tummennusspraymaali, jolloin läpi näkyy vain halutut ledit. Maalatessa muista käyttää siihen tarkoittettua hyvin ilmastoitua tilaa.
Ongelmana tässä on, että kolmen kanavan ledit palavat himmeästi kokoajan. Johtunee pienestä häiriösignaalista jonka kuulee myös korvalla.
Video
Video toimivasta tuotteesta. Jos kuuntelee ja seuraa välkkeitä, huomaa valojen osuvan iskuille tietyllä tajuuden kohdalla.