LOBSTER - Low Power Bike Supply Battery
9065 Views, 55 Favorites, 0 Comments
LOBSTER - Low Power Bike Supply Battery









A while ago I bought a bike light, that came with this USB A plug. It is mounted with a velcro band and its usage comfort was quite ok. However, after some months the USB connector started to get loose and corrode. This poor connection made the light to flicker and eventually turn off while riding the bike. That was the point where I decided to over engineer the whole thing.
I wanted a easy to un/mount battery with a weather resistant connector. later I figured.. I also want that:
- The battery can be charged with USB C
- The overall system should be extendable with modules and
- Each component should be somewhat easy to repair -> Avoid gluing as much as possible
- I want to reuse the battery cells of the "old" battery pack
What is the result?
- 4 Modules -> One battery pack, one holding/mounting mechanism, one distribution module with included status display and the last module is the bike light that just got an XT60 connector instead of the USB A connector. (Very soon also the red back light will be part of LOBSTER, so another module -> total of 5)
Downloads
Supplies
- 3D printed/manufactured parts
- XT60 female/male connectors (3 male, 4 female)
- M5 Nuts and cylindrical screws 16mm long (8x)
- M3 Nuts and cylindrical screws (2x16mm, 5x12mm, 1x8mm)
- Momentary Push Button (I used one that is similar to these: Amazon) Any would do, but the CAD files are made for these
- Switch with water proof head (The one I got are called MTS-101+MZ)
- USB-C female brea
- Battery status monitor (Aliexpress)
- Li-ion battery charger circuit (Aliexpress)
- Li-ion battery + BMS (I salvaged it from the old battery pack) (2 Batteries of the type 18650)
- Wires
- Cable with 2 cores (the cable is used to connect the various modules)
Tools and material for build:
- Glue (for gluing together the separated plastic parts)
- Sandpaper
- Woodfiller
- Primer and color (I also used rubber spray for the parts that have contact with the bicycle tube)
- Screwdriver matching your screws
- Soldering iron
- Pliers
Disclaimer & Additional Tips
For some places where I used XT60 connectors the screws are slightly too long (I used what I had). So I decided to drill a slight hole on some of the connectors. This was not planned and I just went with the flow during the build.
Further more, as I write this Instructable I saw that I sometimes left out mini steps (soldering two wires to a XT60 connector) (if they are really missing, in the sense of the instruction is not clear, please notify me)
I would highly appreciate if you notify me about any missing instructions, parts, tools or explanation. Thanks! :)
TIPS:
- Think about the XT60 polarity before assembling anything. Keep it consistent, so that you never have to think about swapping pins and can even create more modules for the system.
- If it does not fit as you wish, sand it a bit more.
(optional) Taking Apart the Old Battery

As it was water proof it was quite hard to get it open. If you do something similar, make sure to not damage the battery inside. Also avoid too much heat on the battery.
I made 2 of the batteries, for the first one I remove the stock BMS and used a new one. For the second one (picture) I just kept the stock BMS and most of the shielding.
Be careful with those battery cells. Stabbing, shorting, heating or adding too much external force in any way could lead to fires.
Print All the Parts








Every file should be printed once. To provide enough mechanical strength, the printing direction of the parts should be thought of.
I added virtual pictures to show in which direction I printed the parts.
My print settings:
- Material: PLA (Brand: bq)
- Layer: 0.2
- Nozzle: 0.4
- Perimeters: 3
- Solid layer
- Top: 2mm
- Bottom: 2mm
- Fill density: 20%
Excuse the missing photos of the other raw parts.
(optional) Postprocess & Paint the Parts

I am by far not an experienced spray painter. So I will not provide instructions on how to do this, but I will shortly explain what I did:
- Rough sanding
- Applying woodfiller / wood putty to fill any hole artefacts from printing.
- Again sanding
- First primer coat
- Slight sanding
- More primer
- Paint
- Polishing
There are many people posting tutorials on how to post process your prints. For me it was the first time to "properly" post process my parts and try to make them a product. (It went okish, and I learned a lot)
USB C for Battery Charging




.png)
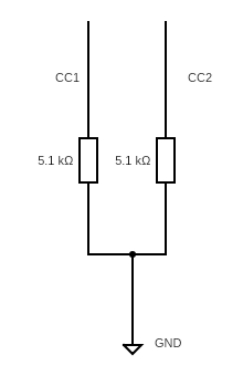
The dream of having the same charger for all your devices comes one step closer with the USB C capable charging of the battery pack.
USB-PD allows the end device to tell the charger how much volt and ampere it wants. This is controlled by resistors on the CC pins.
In our case we will use a 5.1kOhm pull down resistor to get a power delivery of 5V@1.5A
Besides the power delivery setting also a cable for VBUS and GND should be soldered on. Make sure that you have not too short cables but also not too long as it might get too crowded in the battery pack then.
Best if you put together the parts to see how much space you have.
Assemble the Battery Pack



.png)








- The Hull has a small hole on the long front face. First we have to put the USB-C connector from a previous step into this hole. Ideally any gap is sealed with some silicone or glue. This also gives the connector a bit more robustness, as it is per design not too tight.
- The sled must be glued to the battery-bed. Notice that the sled has an "up" direction. i.e. one of the sides of the sled is wider to make it easier when sledding together with the mount.
- Wiring: There are holes for the wires from the XT60 connector as well as for the wires from the battery. Solder them accordingly (+/-) to the charger circuit battery end (i.e. output ports). The cables from the USB-C connector (VBUS,GND) are connected to the input of the charger circuit.
- Mount the charger circuit to the bed (as seen in the picture). I used a silicone, so it can be easily removed again.
- Put the XT60 connector correctly into its place (Notice that it might be a bit tricky to fit it through the hole in the hull.
- Put the M3 nuts in their place. On the left and right of the bed is one hole for a screw. Along it you can find a pocket for a M3 nut. This is needed as it is the only material the screw can grip)
- Slide together the hull and the main body. Keep an eye for all the wires. They might move around so that it is not possible to sled together the parts. Maybe use some tool to move the wires out of the way)
- Screw in the M3 screws (16mm)
- I would recommend to seal the contact points of the hull and the main part with silicon to prevent water from entering the battery area.
The charger circuit I've linked has a micro usb connector port on it. It is not needed and ideally is removed (desoldered) before using the circuit board. However, the only problem you might run into is, that it is in the way during assembly and the fact that you have a bit less space within the pack.
Assemble the Mount






The mount consists of a base plate, sled, 3 mounting "rings" and the electronics chamber.
Further the electronics chamber has the main-body, the hook and a lid.
I think the assembly of the mount is self-explanatory. (If not let me know) Just because it is easier during first assembly, I would not glue on the electronic chamber before you finished it's assembly.
The circuit for the mount is really simple. It is just a switch which separates the line either on the positive or the negative side. You can solder the circuit together before putting everything in place. Note that on the output side the cable with two cores is used and has an XT60 male connector on the end as well. Also, before soldering on the output cable feed it through the hole of the lid. (yes this is a design flaw)
When everything is connected I would start with the M3 Nut below the XT60 hole (there is a small pocket), followed by the XT60 (male) connector. Now install the switch and fix it from the outside with the water proof cap.
Finally, fix the cable in the "cable clamp". On the bottom of the chamber are 2 pockets for M3 nuts for the screws.
Now you can also put the hook in place. I recommend to feed through a 8mm M3 screw from the side and put a nut on it. Then push the hook from the back and get the screw in the hole on the hook.
Use pliers to compress the spring and put it in place. There are 2 nipples for the sprint to sit on. One on the chamber bottom and one on the hook. Lastly, feed a long M3 screw through the hole (that is just above the hook) on the chamber. Use another M3 nut. The screw exists to release the hook (so the battery can be dismounted), and the M3 nut is for fine tuning the resting hook position. (also it makes sure that the M3 screw does not fall out)
The lid to hide the electronics is mounted with a screw through the center top hole and a nut inside. I would first insert the screw and attach the nut (loosely, i.e some space for the fork of the lid), then insert the lid and then pull out the screw and tighten it (a mixture of pulling the screw and tightening it)
Finally you can glue the chamber onto the mount and use another M3 screw from the bottom to fix the XT60 connector in place.
Sidenote: I did not glue the chamber and the mount together. I only used the M3 screw to hold everything together. Which seems to work out quite well.
Assemble the Distributor


.png)



- First of all the 3 sub parts need to be glued together. You can take my pictures as reference on how it should look alike. (Keep in mind that it is mounted on a tube, so the "bottom" curve should be somewhat flush)
- Add wires to all XT60 (female) connectors, the push button as well as the battery charge display.* I used wires of different color, so I only have to connect same colors when installing it.
- Put the M3 nuts in the pockets. For each XT60 connector there is one pocket and screw hole.
- Start with the push button and tighten it with the according nuts from the inside. (This is a bit tricky, you might need your pliers.). Also, pull the wires to the wide opening.
- Feed through the wires of the XT60 connectors and place the connectors at their place and tighten them with the screws.
- Slide in the display through the wide opening and push it into it's final place.
- Push it down slightly, add some silicone and push it up again. Make sure that the silicone is in the fugues. Alternatively you can glue the display in place, but with silicone it is easier to replace it in case of damage.
- Solder together all the wires according to the circuit plan.
- The lid is mounted in a similar way as with the circuit chamber of the mount. Although, the lid is hold from the outside i.e. by the screws head.
* Make sure that the wires are long enough, so that they reach to the wide opening and a bit beyond. As I would recommend to solder all the parts together after they are installed in the case.
Mount on Your Bike




I think the system of mounting to the bicycle is self-explanatory. Put the M5 nuts in the pockets, position the parts on your bikes tube and screw on the second part of the mounting system.
The Good and the Bad (résumé)
Good:
- Due to it's inter modular stucture, it could potentially fit at various bikes. All you need to design yourself, would be the "mounting rings".
- Kinda easy to repair if some component get's damaged (very few gluing)
- Overall quite modular. For example, one could power additional lights, just by using another distributer module and rout the cable to the needed place.
- Basically achieved all my goals for the project.
Bad:
- Not as easy to repair as I would wish. (It is possible, but in some places you have to take apart the whole thing)
- Some parts of the components are not very well designed. (like the electronics chamber lid)
- The XT60 connector on the mount (the connector where the battery should mount) is able to rotate slightly. This has as effect that the battery is not able to connect/slide on completely, unless you rotate the connector back.
-
The hook does not work completely as intended / is not as smooth as intended. But It works. However, the XT60 connector is so firm, that the hook is probably not even needed.
-
The mount electronics chamber lid has a hole for the cable, thus the cable must be feed through the hole, before soldering on the cable.
The battery display does not work properly if any other power consumer is active. (That's somewhat obvious, but worth mentioning)
Other:
It is important to get the battery pack as water proof as possible. This can be achieved with silicon sealing on all the gaps. You don't want to short your battery directly! If there is a short somewhere else in the system (i.e. after the BMS, this is by far not as bad as directly shorting the battery)
I have learned a lot with this project, from designing interacting mechanical parts (from scratch) to post processing 3D printed parts and spray painting them. Overall a good mix for me. I will probably improve some parts of LOBSTER over time. Maybe somebody will be actually interested in those :D
FAQ
Why does the design uses "caps" on the screw holes?
The parts are designed for 3D printing. Thus parts have a weak direction in the context of mechanical strength. But on the other hand a preferred printing direction, because of overhangs and the needed support material. The caps are there so the screw head will not push (printing) layers apart, but rather compress layers below it.