Make Your Own Boston Bomb
In this, my first instructable, I will provide enough information to allow you to make your own small scale Boston Bomb as a fridge magnet.
We just had the anniversary of 31 Jan 2007, the day that shook the city of Boston. Prior to this day, we here in Australia had not even heard about Moonitites, or the Adult Swim Channel. Once the Boston Police did what they did best, the whole world knew...
The stupidity of the event shocked me, so I decided to make my own small scale version to remind the kids that problems can be solved - not simply blown up!
We just had the anniversary of 31 Jan 2007, the day that shook the city of Boston. Prior to this day, we here in Australia had not even heard about Moonitites, or the Adult Swim Channel. Once the Boston Police did what they did best, the whole world knew...
The stupidity of the event shocked me, so I decided to make my own small scale version to remind the kids that problems can be solved - not simply blown up!
Lay the Parts Out on the PCB
In this case - I used veroboard (sometimes called Stripboard)
Lay the components out, and use point to point wiring on the back of the board to connect them.
Lay the components out, and use point to point wiring on the back of the board to connect them.
The Construction Method
The Boston Bomb is constructed using a sandwich technique, where the top board holds the components, the bottom board holds the magnet, and the battery holder is held in the middle.
The boards are held together using bolts and spacers.
A big magnet that I salvaged from a microwave oven magnetron is glued to the bottom board. Using a big magnet means that your Boston Bomb will be able to hold many school notes.
The boards are held together using bolts and spacers.
A big magnet that I salvaged from a microwave oven magnetron is glued to the bottom board. Using a big magnet means that your Boston Bomb will be able to hold many school notes.
Circuit Diagram
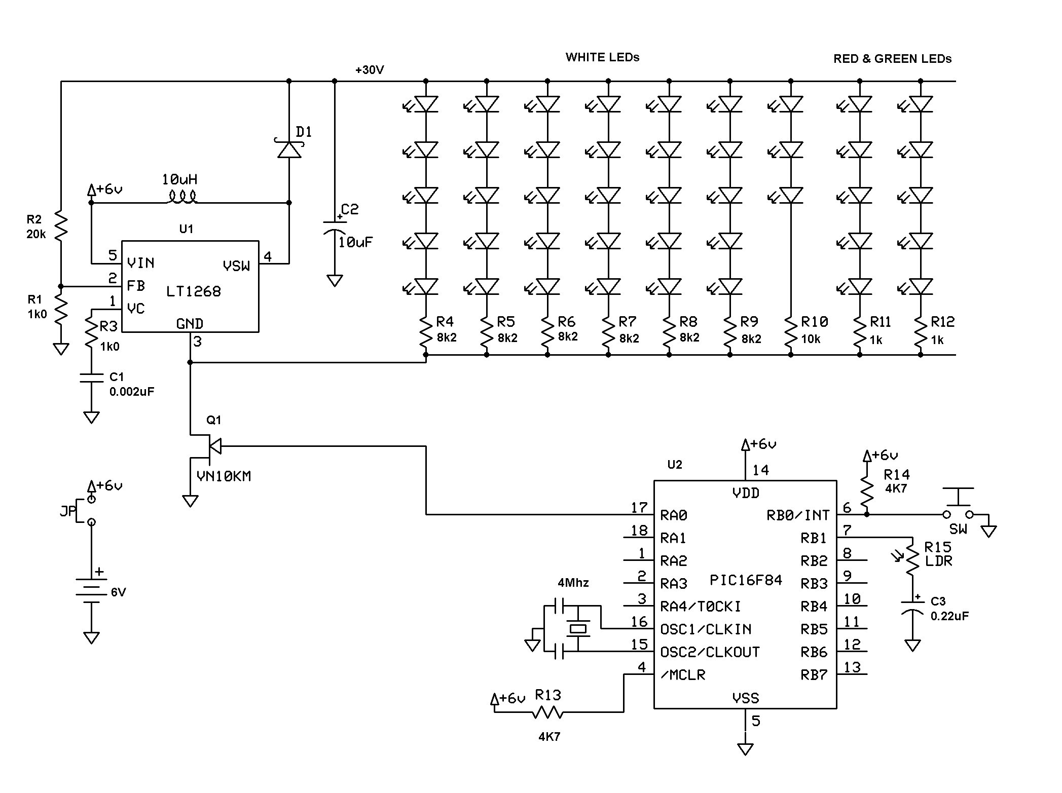
This is the circuit diagram.
It is essentially a DC-DC converter, and a PIC 16F84 (or PIC 16F88) to drive it.
Sw1 is a test switch - push it to cause the device to flash.
There is a LDR on the board to detect when it gets dark - that's when it flashes for a while.
It is essentially a DC-DC converter, and a PIC 16F84 (or PIC 16F88) to drive it.
Sw1 is a test switch - push it to cause the device to flash.
There is a LDR on the board to detect when it gets dark - that's when it flashes for a while.
PCB Layout
If you would like to create your own PCB, here is the PCB layout.
In the PCB version, I did not worry about the eyes.
In the PCB version, I did not worry about the eyes.
PCB Parts Placement
Here is the parts placement guide for the PCB.
Best Fridge Magnet in the World!
Here is the unit mounted on the fridge - The kids and I believe that it is the best fridge magnet on the planet!!!
If you would like a detailed construction article (rejected by an Australian Electronics Magazine Publisher - Because 'Our readers don't like veroboard'!) drop over to
The Construction Pages
There you will also find the source code for the PIC.
If you would like a detailed construction article (rejected by an Australian Electronics Magazine Publisher - Because 'Our readers don't like veroboard'!) drop over to
The Construction Pages
There you will also find the source code for the PIC.