Pocket Cricket Sound Card

by PeckLauros in Circuits > Electronics

570 Views, 3 Favorites, 0 Comments

Pocket Cricket Sound Card

Circuito 3d.png

Assembly and study of a circuit that simulates the sound of a cricket.

Montagem e estudo de um circuito que simula o som de um grilo.

Supplies

The entire circuit was created virtually:

O circuito foi todo criado virtualmente:

- Buzzer :

https://www.tinkercad.com/things/38jtn0xWJVG-buzze...

- Suporte para bateria CR2032:

https://www.tinkercad.com/things/eIAoY5vSoA3-clip-...

- Potenciômetro:

https://www.tinkercad.com/things/hLCQPXDTlbh-trimp...

- LDR:

https://www.tinkercad.com/things/gYXezz86ZXM-ldr

- Transistor:

https://www.tinkercad.com/things/25uIzawst79-trans...

- CI 555:

https://www.tinkercad.com/things/5u4I8qTtqEv-ci-di...

- Capacitor eletrolítico:

https://www.tinkercad.com/things/kckyQgrRSOl-capac...

- Resistor:

https://www.tinkercad.com/things/8f3O6yk81j2-resis...

- Capacitor cerâmico:

https://www.tinkercad.com/things/byi45LeuJ96-capac...

- On / off switch: In the program's own library
- Batteries: In the program's own library

- Chave liga/desliga: Na própria biblioteca do programa

- Baterias: Na própria biblioteca do programa

Circuito

ckt Eletrônico Grilo.png
acionador sombra.png
simulando.png
simulador.png

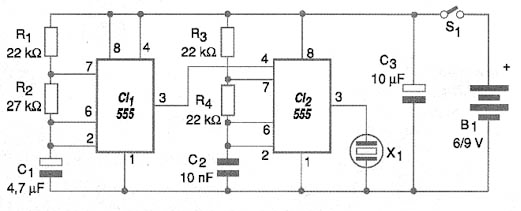
The circuit is basically divided into two parts:
- Two oscillators with CI555

- Drive circuit with LDR

The original circuit was published by Newton C. Braga a few years ago:

http://www.newtoncbraga.com.br/index.php/blog/proj...

With the Tinkercad tools, we have several possibilities to test the circuit virtually before proceeding with the assembly.

It is also possible to assemble the circuit with the CI556 but I did it with the two 555 as it facilitates the study of the circuit.

NOTE: The circuit takes a while to stabilize. I don't know if it is a lack of processing speed on my computer or a limitation of the simulator. I recommend that you wait a few seconds with the sound off, until the graphics start to appear on the oscilloscope. I don't know how to accelerate this stabilization time of the circuit. If anyone knows if this is possible, I accept suggestions.

O circuito é dividido em basicamente duas partes:

- Dois osciladores com o CI555

- Circuito de acionamento com o LDR

O circuito original foi publicado pelo Newton C. Braga a alguns anos:

http://www.newtoncbraga.com.br/index.php/blog/proj...

Com as ferramentas do Tinkercad, temos várias possibilidades de testar o circuito virtualmente antes de prosseguir com a montagem.

Também é possível montar o circuito com o CI556 mas fiz com os dois 555 pois facilita bastante o estudo do circuito.

OBS.: O circuito demora um pouco par a estabilizar. Não sei se é falta de velocidade de processamento do meu computador ou limitação do simulador. Recomendo que espere alguns segundos com o som desligado, até começar a aparecer os gráficos no osciloscópio. Esse tempo de estabilização do circuito eu não sei acelerar. Se alguém souber se isso é possível, aceito sugestões.

Desenhando Em 3D

trimpot.jpg
pot.png
Ceramic-Capacitor-Dimension.png
capac.png
LDR-Dimensions.png
ldr.png
Buzzer-dimensions.png
buzzer.png
cr2032-holder-dimensions.jpg
suporte Bat.png

I got to know the 3D design module of Tinkercad some time ago and had already designed some parts like LDR and resistors.
To draw these pieces, I looked for the datasheets and tried to draw as faithful as possible. After a few months, the library was already including some parts that I ended up using in this prototype: the batteries and the on / off switch. This saved a lot of time. So I put the pieces I made in public and I recommend doing that. It will always help someone.

Hope you like it!

Conheci o módulo de desenho em 3D do Tinkercad a algum tempo e já havia desenhado algumas peças como o LDR e os resistores.

Para desenhar essas peças, eu procurava os datasheets e tentava desenhar o mais fiel possível. Após alguns meses, a biblioteca já estava incluindo algumas peças que eu acabei usando nesse protótipo: as baterias e a chave on/off. Isso economizou bastante tempo. Por isso coloquei as peças que fiz em público e recomendo fazerem isso. Sempre vai ajudar alguém.

Espero que gostem!