SERVO DRIVER / TESTER (IC4001)

by frapedia in Circuits > Electronics

2783 Views, 12 Favorites, 0 Comments

SERVO DRIVER / TESTER (IC4001)

IMG_3430.jpg
mini-camera.jpg
IMG_3431.jpg
IMG_3432.jpg
IMG_3433.jpg
IMG_3439.jpg
IMG_3443.jpg
IMG_3442.jpg
IMG_3440.jpg
IMG_3441.jpg

SERVO DRIVER (one axes real time position)

This is a circuit made long time ago but serve me well with no problems at all.
The circuit here it's been used to rotate a mini camera which have been placed into a plexiglass enclosure for waterproofing purposes.

It can be used for 90/180 degrees and continuous rotation servo as well.
Components are not critical and can be found all over the internet or from a local store.
The circuit can drive nano, micro and large servo (1) up to 1000mA consumption.
Never the less there are 2 choices of components depending on what you are going to drive.

COMPONENTS

SD components (F).bmp
T.bmp

On the components picture chart:
On the left are all the components needed for nano, micro servo.
On the right are the components needed to be replaced for standard / large servo.
In such event it is best to apply a heatsink to T1 transistor.

The SW1 switch is optional, it's purpose is to “cut” the circuit from the servo so it can turn freely in case of any maintenance, cleaning or that ever else you can think off while the circuit is ON.
The PCB must be 67mm horizontal x 50mm vertical.

UPDATE:
P1 = 220K
P2 = 47K
P3 = 100K

PCB & ABJUSTMENT

servo driver s1 (FG).bmp
servo driver PCB (F).bmp
IMG_3423.jpg
IMG_3426.jpg
IMG_3424.jpg
IMG_3425.jpg
IMG_3428.jpg

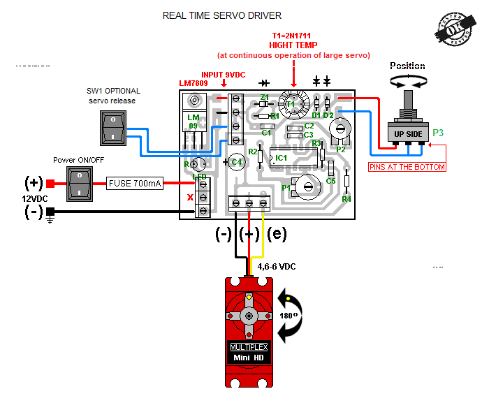
Connect the servo to out put. Pay attention at this point as there are 3 wires. One is for positive (+) and usually will be in white or red color, one for negative (-) black and an other one usually in yellow color for the servo operation (e).
Connect the circuit to 15-12VDC power supply.
The LM7809 will provide the 9V required for the circuit OR you can use a 9VDC supply directly (see the diagram).
P1=220k sets the servo end points.
P2=47k sets the servo neutral point. Adjust it that way so when the servo is been set to any position it will stay locked to that point.
P3=100K serves as the servo positioner.
Have fun :)