Unifi G4 Protect Doorbell With a Twist

by alexpikkert in Circuits > Electronics

1893 Views, 2 Favorites, 0 Comments

Unifi G4 Protect Doorbell With a Twist

Doorbell (19).jpg
Doorbell (20).jpg

This instructable describes a Unifi G4 Protect Doorbell for your home using a Ubiquiti dreammachine pro router with switch and video storage. This doorbell system is combined with three wireless Ding Dong bells to be placed anywhere in your home.

The Ubiquiti Unifi G4 Protect Doorbell System

Doorbell (18).jpg
UDM-Pro_front-top-angle_grande.png
USW-Pro-24-POE_001_grande.png
Doorbell (20).jpg
Doorbell (22).jpg

Do you have a nice luxury Ubiquiti dreammachine pro router with switch and video storage in your home network? then you can connect a corresponding Unifi G4 protect doorbell system to it. This system comes with a push button & camera unit for your front door. Download the corresponding app and when a call is received, you will receive a signal via your WiFi with a live video stream on your smartphone and you can use the intercom function to speak to your visitor at the door.

The video from the camera is stored locally on the dreammachine pro, so you don't need a subscription as with the Ring doorbell systems. You can view the videos and talk to your visitors anywhere even if you are outside your network.

The unit is powered by a 16 Volt AC transformer, built into the meter cupboard. All incoming and outgoing signals are sent and received via your local home WiFi network.

More Ringing Everywhere !

Doorbell (17).jpg
Doorbell (1).jpg
Doorbell (4).jpg
Doorbell (2).jpg
Doorbell (3).jpg
Doorbell (21).jpg

The doorbell system comes with an extra "ding dong adapter", to be connected in series with the push button unit to activate an additional 16 Volt AC ding dong bell. In the setup described here, no ding dong bell is connected, but a 24 Volt AC relay which triggers a Klikaan Klikuit 433 MHz transmitter ACDB-8000BC. This transmitter activates three wireless ding dong bells, one in the living room, one in the attic and one in the garden. Klikaan Klikuit is a typical Dutch brand for home automation systems. Any other brand can be connected as long as it works with a contact to trigger a wireless bell system.

The transmitter used here is normally powered by a 12 Volt battery. This battery is removed and replaced by a connection to a small 12 Volt DC power supply circuit derived from the 16 Volt AC transformer.

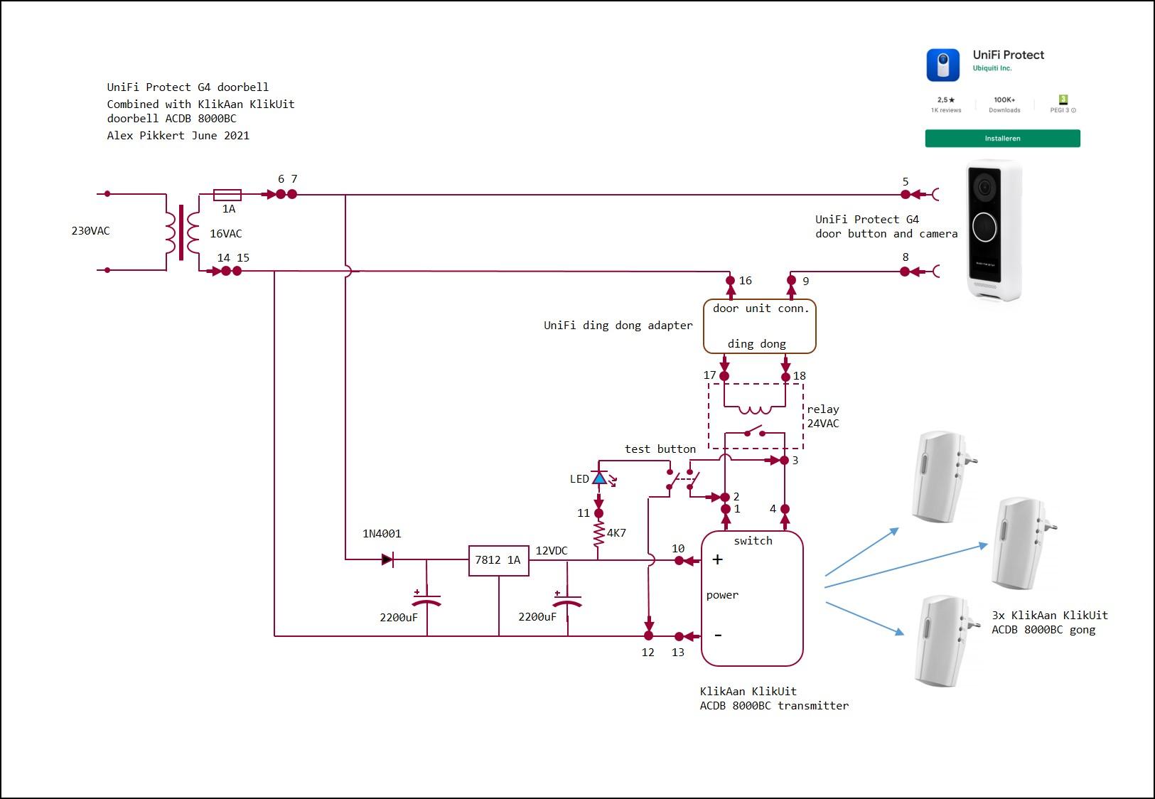
Take a look at the block diagram to see how the components work together.

This power supply is mounted on a small circuit board together with the Unifi Ding Dong adapter.

The Circuit Diagram and PCB Layout

Doorbell (6).jpg
Doorbell (7).jpg

All connections on the PCB are numbered and can be seen on the circuit diagram.
The diagram shows all used components.
There are an additional button and led to test the wireless Ding Dong circuit. The led will light up when the 12 Volt DC is present and the button starts the wireless transmitter to activate the remote Ding Dong bells.

Boxing It In

Doorbell (19).jpg
Doorbell (15).jpg
Doorbell (9).jpg
Doorbell (10).jpg
Doorbell (12).jpg

All components (the 16V AC transformer, the PCB with the power supply and the Ding Dong adapter and the 433 MHz transmitter) are mounted on a wooden frame inside a plastic box.

the test button with the test led and the plug connectors for the pushbutton/camera unit are mounted in the sides of the box.

The box is placed inside the meter cupboard, connected to the AC mains (in the Netherlands this is 230 V AC 50 Hz) and the pushbutton/camera unit. The secondary output from the transformer is connected to the system via a 1 Amp fuse mounted in the wiring.

That's it !